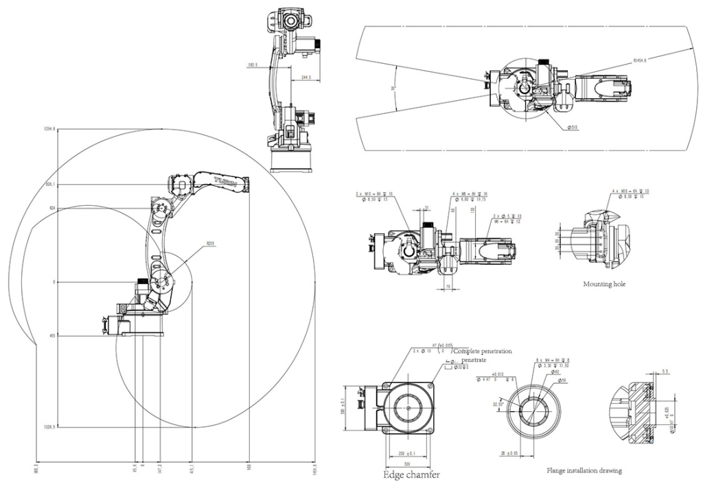
Сварочный робот TKB-1440 (500A)
Номинальная нагрузка
10 кг
Повторяемость
±0.05 мм
Уровень защиты
IP54
Рабочий радиус
1455 мм
Степени свободы
6
Вес
155 кг
Шкаф управления
TRC5-B06
Метод установки
Напольный
Заказ и доставка
Описание
Доп. материалы
| Максимальная скорость | J1 | 198°/сек |
| J2 | 198°/сек | |
| J3 | 210°/сек | |
| J4 | 330°/сек | |
| J5 | 450°/сек | |
| J6 | 700°/сек | |
| Рабочая зона | J1 | ±170° |
| J2 | -92°~153° | |
| J3 | -100°~75° | |
| J4 | ±190° | |
| J5 | ±130° | |
| J6 | ±360° | |
| Допустимый крутящий момент | J4 | 20 Нм |
| J5 | 20 Нм | |
| J6 | 11 Нм | |
| Максимально допустимая инерция | J4 | 0.5 кгм² |
| J5 | 0.5 кгм² | |
| J6 | 0.16 кгм² | |
| Номинальная мощность | 4.3 кВт | |
| Пользовательская интерфейс | RVV10*0.2 | |
| Питание | однофазное, переменный ток 220 В -10%~+10% | |
| Рабочая среда | Температура | 0~45°C |
| Влажность | 10%~80% относительной влажности | |
| Максимальный градиент температуры | 1,5°С/мин | |
| Сварочный аппарат AOTAI Pulse MIG-500RP | |
| Сетевое напряжение/частота | 3 фазы 380 (В) ±10% (Гц) |
| Потребляемая мощность | 23,4 (кВт) |
| Сетевой ток | 36,1 (А) |
| ПВ (при 40°С) | 60% 500 (А) |
| Напряжение холостого хода | 105 (В) |
| Диапазон сварочного тока | 60-500 (А) |
| Режим работы | 2Т/4Т, точечная |
| Частота двойного импульса | 0,8, 1,0, 1,2, 1,6 (мм) |
| Ячейки памяти | 100 (шт) |
| Степень защиты | IP23 |
| Размеры | 655×324×546 (мм) |
| Масса | 53 (кг) |

Похожие товары
Сварочный робот
Подробнее
TKB-1440 (350А) сокращает цикл сварки, обеспечивает высокую точность и стабильную работу
Сварочный робот
Подробнее
TKB-2030 (350А) сокращает цикл сварки, обеспечивает высокую точность и стабильную работу
Сварочный робот
Подробнее
TKB-2030 (500A) повышает производительность и способствует максимальной эффективности производства
Современное решение для высокоточной лазерной сварки, обеспечивает стабильное качество обработки и высокую скорость работы
Подробнее
Оставить заявку
Наш менеджер поможет Вам с подбором необходимого оборудования или запасных частей , ответит на вопросы о работе сервиса и сроках доставки заказа
Заказ и доставка
Наш менеджер поможет Вам с подбором необходимого оборудования или запасных частей , ответит на вопросы о работе сервиса и сроках доставки заказа
Официально представляем в России