TR210-2700B
Номинальная нагрузка
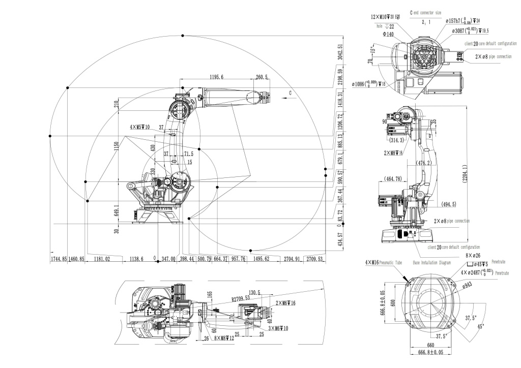
210 кг
Повторяемость
±0.1 мм
Уровень защиты
IP54/IP65
Рабочий радиус
2700 мм
Степени свободы
6
Вес
1300 кг
Шкаф управления
TRC3-D06
Метод установки
Напольный
Заказ и доставка
Описание
Доп. материалы
| Максимальная
скорость | J1 | 114°/сек |
| J2 | 83°/сек | |
| J3 | 95°/сек | |
| J4 | 180°/сек | |
| J5 | 165°/сек | |
| J6 | 219°/сек | |
| Рабочая зона | J1 | ±185° |
| J2 | -50°~85° | |
| J3 | -180°~70° | |
| J4 | ±360° | |
| J5 | ±125° | |
| J6 | ±360° | |
| Допустимый крутящий момент | J4 | 1360 Нм |
| J5 | 1360 Нм | |
| J6 | 735 Нм | |
| Максимально допустимая инерция | J4 | 147 кгм² |
| J5 | 147 кгм² | |
| J6 | 82 кгм² | |
| Номинальная мощность | 8.5 кВт | |
| Пользовательский интерфейс | RVV20*0.2 | |
| Питание | трехфазное, переменный ток 380 В -10%~+10% | |
| Рабочая среда | Температура | 0~45°C |
| Влажность | 10%~80% относительной влажности | |
| Максимальный градиент температуры | 1,5°С/мин | |

Похожие товары
Конструкция устройства гибкая и легко настраивается под специфические условия производства, обеспечивая высокую производительность и универсальность
Подробнее
Роботизированные сварочные комплексы — это автоматизированные системы, предназначенные для выполнения сварочных операций с высокой точностью
Подробнее
Нагрузка - от 500 кг
Подробнее
Мощность - от 1,6 кВт
Макс. частота вращения -
от 800 мм/сек
Длина кабеля - 5 м
Вес - от 1100 кг
Высокоточный токарный станок с ЧПУ
Подробнее
Диапазон вращения до 4000 об/мин
Позиционирование ±2 микрона
Оставить заявку
Наш менеджер поможет Вам с подбором необходимого оборудования или запасных частей , ответит на вопросы о работе сервиса и сроках доставки заказа
Заказ и доставка
Наш менеджер поможет Вам с подбором необходимого оборудования или запасных частей , ответит на вопросы о работе сервиса и сроках доставки заказа
Официально представляем в России